Página precedente Indice Página siguiente


Utilización de los productos forestales: tecnología para un uso inteligente

R.L. Youngs

Robert L. Youngs es catedrático del Departamento de ciencias de la madera y productos forestales del Virginia Politechnic Institute and State University (Virginia Tech), Blacksburg, Virginia, Estados Unidos.

Análisis de las tendencias de investigación sobre la madera y los productos forestales basados en fibras, focalizado en los estudios realizados en los Estados Unidos.

La investigación sobre los productos forestales tiene por objeto fortalecer la base económica que proporciona a los bosques su valor económico más directo, es decir, que permite obtener beneficios productivos de los recursos forestales mediante la utilización, elaboración y comercialización eficaces, económicas y ecológicas. A la larga, la protección y mantenimiento de los bosques se realizará efectivamente en la medida en que los legisladores y los encargados de las decisiones económicas y políticas lo consideren ventajoso económicamente; pero si la investigación no contribuye con esa labor, no será eficaz.

La investigación sobre productos forestales debe ser dinámica para responder a la evolución de las necesidades y a las capacidades de la silvicultura y la industria forestal. Los recursos madereros de los cuales se obtienen productos son muy diferentes de los utilizados hace sólo unos decenios atrás, ya que las plantaciones y las superficies forestales repobladas están orientadas cada vez más al suministro de madera. La tecnología utilizada en la elaboración de los productos forestales está cambiando, y la computadora es parte integrante de las plantas de fabricación para la evaluación del producto, el control de los procesos de fabricación, el análisis, el inventario y la comunicación. Asimismo, las normas de calidad y las expectativas del consumidor en relación con los productos forestales son cada vez más rigurosas.

Actualmente, la investigación sobre productos forestales ha cambiado mucho respecto a hace 100, 50 ó incluso 20 años atrás. Probablemente, el investigador pasa más tiempo delante de una computadora que de un microscopio o una máquina de pruebas. Asimismo, suele ser más estrecha la colaboración entre el investigador y los administradores forestales y la industria forestal, así como con otros colegas que trabajan en campos afines de la ingeniería y la ciencia. Los actuales sistemas de comunicación hacen que dicha colaboración sea posible; y el desarrollo de la ordenación forestal, los requisitos para el aprovechamiento de la madera, la preocupación por las cuestiones medioambientales y la ingeniería y otras ciencias conexas la hacen necesaria.

INVESTIGACION SOBRE PRODUCTOS FORESTALES EN LOS ESTADOS UNIDOS

La investigación sobre productos forestales en los Estados Unidos se realiza tanto en el sector público como en el privado, estableciéndose una colaboración cada vez mayor entre ambos. Las instituciones pertenecientes al sector público invierten entre 60 y 70 millones de dólares EE.UU. al año en investigación forestal. Esta se focaliza principalmente en los sectores de la madera maciza y los compuestos, sobre todo en las universidades, si bien hay también una parte importante de la investigación orientada a aspectos básicos aplicables a cualquier uso industrial de la madera. Aunque es difícil hacer comparaciones exactas entre las inversiones en las universidades estatales y las instituciones de investigación federales, debido a las diferencias en la forma de presentar los presupuestos, probablemente las universidades absorben alrededor del 60 por ciento del total del sector público, al estar la mayor parte de la financiación a nivel federal específicamente asignada a la investigación universitaria.

Alrededor de 40 universidades en los Estados Unidos realizan algún tipo de investigación sobre productos forestales, en la que participan, al menos a tiempo parcial, alrededor de 200 profesores y un número algo mayor de asistentes y estudiantes graduados. Sus competencias abarcan toda una gama de aspectos relacionados con la ciencia y la tecnología de la madera y el papel, haciendo especial hincapié en la elaboración de la madera.

La mayor parte de la investigación federal en materia de productos forestales se realiza en el ámbito del Servicio Forestal del Departamento de Agricultura de los Estados Unidos, cuya base es el Laboratorio de Productos Forestales de Madison, Wisconsin; además, se realizan investigaciones en algunos de los Centros de Experimentación Forestal regionales. Alrededor de 120 científicos y un número mayor de asistentes toman parte activa en dichas investigaciones.

La mayor parte de las actividades de investigación y desarrollo de las industrias forestales está centrada en el sector de la pasta y el papel, estimándose un presupuesto de 1000 millones de dólares EE.UU. al año, comparado con aproximadamente 60 ó 70 millones de dólares invertidos en la industria de madera maciza. No está claro cuánto se destina a investigación y cuánto a desarrollo, pero posiblemente la proporción destinada al desarrollo es mucho mayor.

En los últimos años, la investigación se ha caracterizado por un mayor nivel de cooperación y de colaboración entre la industria, las universidades y las organizaciones de investigación federales. Los consorcios (por ejemplo el de Madison, para la fabricación biológica de pasta), y centros (como el de Virginia Tech, dedicados a las plataformas de carga y a la investigación sobre la comercialización, o el de la University of Washington, sobre el comercio internacional) son ejemplos de dicha cooperación. Como consecuencia de dicha interacción, además del financiamiento asignado específicamente para la investigación en las universidades, se están empleando fondos federales para respaldar la investigación cooperativa en el ámbito universitario. Del mismo modo, una parte importante de la investigación industrial se realiza en cooperación tanto con universidades como con laboratorios federales.

TENDENCIAS DE LA INVESTIGACION

Estamos atravesando un período de presupuestos ajustados y muchas expectativas en cuanto a la investigación, tanto por parte de las mismas instituciones de investigación como de la industria forestal y otras instituciones que utilizan los resultados de la misma. Cada vez adquiere mayor importancia el hecho de que la investigación sea pertinente en relación con las necesidades reales y que se pueda aplicar para satisfacerlas. A continuación se indican algunos de los planteamientos adoptados por la investigación sobre productos forestales para satisfacer objetivos como los que hemos mencionado, y algunos ejemplos de resultados y aplicaciones concretas.

Tecnología de la elaboración

Una de las orientaciones principales de la investigación y la tecnología es mejorar el control de los procesos de fabricación, con el fin de obtener productos más uniformes y con características bien precisas. Las investigaciones realizadas por los laboratorios y en colaboración con la industria de productos forestales tienen como finalidad encontrar la manera de introducir en el sistema de producción las nuevas tendencias de la electrónica, el ensayo no destructivo, la tomografía (exploración de un solo plano), la técnica de los ultrasonidos, etc. Recientemente, esta orientación se ha complementado con la integración de sistemas expertos basados en el conocimiento, que consisten en introducir la experiencia y el saber de expertos reconocidos en diversas operaciones de elaboración en un programa de computadora que puede utilizarse cuando sea necesario para tratar problemas de funcionamiento o de producción (Youngs, 1990). Es digna de mención, a este respecto, la investigación realizada en la Texas A&M University.

Otro aspecto importante de la investigación y el desarrollo tecnológico se refiere al ahorro de energía y a la reducción de la contaminación ambiental. En relación con ello, se están llevando a cabo planes de investigación y desarrollo para crear procedimientos flexibles que puedan modificarse para satisfacer las necesidades de los clientes, en muchos casos, produciendo lotes pequeños según los pedidos en lugar de lotes grandes para acumular existencias.

La investigación en los países nórdicos pone de relieve una mayor toma de conciencia de la necesidad de mantener competitivos tanto el precio como la calidad de los productos madereros. Actualmente, muchos productos madereros pasan directamente del productor al usuario, pero el costo final del producto es lo que determina su aceptabilidad en el mercado. Este hecho ha determinado que en la investigación se haga especial hincapié en desarrollar formas eficaces de elaborar sistemas completos de muebles, marcos para ventanas y otros artículos, a menudo en forma de unidades prefabricadas, preacabadas o listas para su uso. Esto supone un cambio en la evolución de la industria de forma que, del sistema de empresas que funcionaban independientemente y producían productos completos, se ha pasado a un sistema de gran número de empresas especializadas que producen los elementos que integran dichos sistemas (Birkeland, 1992).

Aserraderos y madera aserrada

Uno de los aspectos de la investigación y el desarrollo que puede ofrecer nuevas posibilidades para mejorar la productividad y el control de los procesos de fabricación es la tecnología empleada para desplazar las trozas por la sierra principal y la madera aserrada por la planta de fabricación. Desde el decenio de 1970, los aserraderos de coníferas del noroeste de los Estados Unidos se han enfrentado con graves problemas de recursos y rentabilidad. Los aserraderos diseñados para utilizar madera primaria de grandes dimensiones tuvieron que pasar a utilizar mayores cantidades de trozas secundarias de menores dimensiones que requerían más manipulación, aserrado y mano de obra por unidad de producción. ¿Cómo podría acelerarse dicho proceso y hacerlo más eficaz sin sacrificar la calidad y el volumen de producción debido a decisiones de aserrado inadecuadas? Como resultado de la investigación sobre operaciones de aserrado se formuló el concepto de «Best Opening Face (BOF)», que enseguida se adaptó a la exploración automatizada y a la toma de decisiones por computadora. Este concepto se basa en investigaciones innovadoras realizadas en el Laboratorio de Productos Forestales de Madison, donde se observó que la orientación de la troza cuando se efectúa en ella el primer corte con la sierra de cabeza (la cara del primer corte) es decisiva para el rendimiento de la madera aserrada. Como consecuencia de este descubrimiento, los fabricantes elaboraron nuevos equipos de exploración y de informático; los expertos de funcionamiento concibieron la manera de integrarlos en procedimientos eficaces; y se unieron ambos sistemas dando comienzo a una nueva época en la producción de madera aserrada de coníferas.

FOTO 1 Analizador de imágenes para la detección de defectos en línea

La investigación continúa desarrollando la tecnología necesaria para detectar defectos y discontinuidades en la madera (véase la Foto 1). Se han elaborado los principios y es de esperar que su aplicación tenga un efecto inmediato en la producción de madera aserrada de frondosas o de coníferas, y que sean lo suficientemente rápidos para su utilización directa en un aserradero a velocidades de funcionamiento actuales. Esta tecnología permitirá establecer planes flexibles de clasificación de madera aserrada según los gustos de los consumidores o de los fabricantes de productos especiales. Actualmente, este proceso se considera principalmente de clasificación. Sin embargo, el siguiente paso debería ser el tratamiento automático para eliminar o enmendar defectos, con el fin de satisfacer normas sobre productos determinadas de antemano. Investigaciones como las que se están realizando en Virginia Tech, la Michigan State University y la University of West Virginia podrían hacer que fuera posible. El rápido crecimiento del comercio internacional de madera aserrada ofrecerá posibilidades únicas para el tipo de clasificación y selección propuesto en este planteamiento.

Madera para estructuras

En los decenios de 1950 y 1960, la investigación sobre procedimientos automáticos para la clasificación por resistencia de la madera aserrada para estructuras dio lugar a la producción, normalización y uso comercial de máquinas para determinar la resistencia (véase la Foto 2). Actualmente dichas máquinas se utilizan en muchos lugares del mundo como medios rápidos y adecuados de asignar categorías estructurales a la madera aserrada. Por lo general, las máquinas para determinar la resistencia evalúan con mayor precisión la rigidez y la resistencia que los métodos visuales utilizados corrientemente. Se está iniciando a aplicar este concepto a los paneles. Recientemente, numerosas actividades de investigación, en particular en la Washington State University, se han centrado en la aplicación de conceptos de ensayo no destructivo para detectar la putrefacción y evaluar in situ las estructuras de madera (Ross y Pellerin, 1991).

Una evaluación más exhaustiva de las aptitudes de la madera para estructuras permite planificar la utilización del material de manera más eficaz y económica (Foto 3). En el caso de los materiales para estructuras - a excepción de la madera -, se está convirtiendo en una norma utilizar el diseño basado en la fiabilidad, que emplea el conocimiento de la variación que sufren las propiedades del material y lo aplica sobre una base estadística para determinar la posibilidad de rotura en ciertas condiciones de uso. En el caso de la madera, el diseño para estructuras sigue basándose extensamente en los criterios tradicionales. Sin embargo, los investigadores sobre ingeniería de la madera del

FOTO 2 Determinación automática de la resistencia de la madera aserrada

FOTO 3 Colocación de una unidad de estructura armada

Laboratorio de Productos Forestales de Madison y de varias universidades están elaborando métodos para integrar el concepto en el diseño de estructuras de madera de forma que se aproveche su eficacia estructural substancial. Aplicaciones particularmente importantes son el análisis de riesgos y los criterios para conseguir diseños resistentes al fuego.

Otro elemento clave en el uso estructural de la madera es el ensamblaje de partes separadas para formar una estructura integrada. La rotura de las estructuras de madera se produce a menudo en las juntas más que en la madera misma. A este respecto, tiene gran importancia la investigación sobre juntas en las que se utilizan clavos, tornillos, tuercas y conectares especiales para madera que incrementan sensiblemente la resistencia de las estructuras de madera, desde plataformas a edificios de armadura ligera o a construcciones de madera pesada (Winistorfer, 1992). Considerables investigaciones en este campo se están realizando en Virginia Tech y en el Laboratorio de Productos Forestales de Madison.

Ampliación de la base de recursos

Durante muchos años, se ha reconocido que las especies menos utilizadas o menos conocidas, que crecen en muchas de las regiones donde se encuentran las especies comerciales predilectas, ofrecen la posibilidad de aliviar la tala excesiva de las especies preferidas y ampliar la base de recursos, al mismo tiempo que se mejora la sostenibilidad del bosque gracias a sus muchos beneficios. En las investigaciones se ha reunido información sobre algunas de esas especies poco aprovechadas, teniendo en cuenta que en el caso de muchas de ellas, sus características de elaboración mecánica, secado, acabado, encolado y contracción pueden ser mucho más importantes que su resistencia. Se dispone de recopilaciones de dicha información y se está fomentando su comercialización para comenzar a introducirlas en el mercado (Supin, 1992; Youngs y Wang, 1992).

Tradicionalmente, la industria de madera para estructuras y el sector de la construcción de casas han estado estrechamente relacionados. La atención se está dirigiendo hacia un mercado diferente al de la construcción. Al tratar de elaborar productos para este mercado, los ingenieros y arquitectos están aunando los resultados de diversas esferas de investigación. El objetivo es adaptar los materiales para una utilización eficaz y económica de una base de recursos más amplia que a la que recurrían en tiempos pasados para producir estructuras de madera de grandes dimensiones (Foto 4). Un ejemplo de lo anterior son los entramados para tejados que utilizan elementos laminados y viguetas en doble T prefabricadas con alas de chapa de madera laminada y almas de cartón endurecido (véase la Foto 5), tablero de fibras orientadas, o contrachapado (Moody y Collet, 1992).

La atención en la fabricación, está cambiando hacia la madera de frondosas y de coníferas de pequeñas dimensiones menos utilizadas y cuyo suministro abunda. Este cambio de orientación ha sido provocado parcialmente por la escasa rentabilidad de los productos convencionales de madera para estructuras, tales como la madera aserrada de dimensiones fijas y los productos a base de paneles. En los Estados Unidos, se está comenzando a clasificar y a utilizar el tulipiero americano (Liriodendron talipifera) para aplicaciones estructurales, como la madera laminada encolada y otras formas de utilización para estructuras.

En el Brasil, donde la deforestación, especialmente para la agricultura, ha planteado problemas ambientales, la investigación está esforzándose en mejorar el uso de plantaciones de eucaliptos. Se estima que entre el 30 y el 40 por ciento de la madera utilizada actualmente en el Brasil proviene de plantaciones (De Freitas, 1992), lo que significa que las trozas son de pequeñas dimensiones y el ritmo de elaboración es rápido. La investigación se ha centrado en la resolución de los problemas técnicos que impiden obtener una producción económica y de buena calidad en estas circunstancias. Por ejemplo, como consecuencia de tales investigaciones en el Instituto de Pesquisas Tecnológicas de Sao Paulo, los eucaliptos de seis años se pueden utilizar para construcción (Foto 6), mobiliario (Foto 7) y como piezas para estructuras (Foto 8) (De Freitas, 1992).

FOTO 4 Puente de roble rojo laminado y encolado

FOTO 5 Viguetas en dable T prefabricadas con alas de chapa de madera laminada

FOTO 6 Una casa prefabricada construida con madera de eucalipto de plantación de seis años

Materiales compuestos y productos encolados

El concepto de sistemas de productos, así como el de los componentes que los integran, merecen especial atención de parte de los sectores de investigación y de su aplicación. Los productos compuestos, en sus diversas formas, son especialmente idóneos para dicha función gracias a la flexibilidad de su diseño y elaboración. Se pueden emplear materiales compuestos basados en madera, a veces combinados con madera maciza, papel para estructuras o materiales no madereros para suelos, tejados, paredes o sistemas de cimentación, a todo el conjunto de la casa.

Hay un interés cada vez mayor por los productos que combinan madera con fibras de vidrio, fibras de poliéster o materiales no madereros, debido a las posibilidades que ofrecen para mejorar las propiedades específicas de la madera de manera concreta para aplicaciones especiales. Se están empezando a utilizar tableros de madera en combinación con cemento o yeso para obtener a la vez una estructura resistente e incombustible. Propiedades tales como la inestabilidad dimensional y la susceptibilidad al deterioro se pueden mejorar modificando la estructura química de la pared celular de la madera (Rowell, 1992). En la University of Idaho, la Washington State University y el Laboratorio de Productos Forestales de Madison se están realizando investigaciones en este campo.

Las investigaciones llevadas a cabo en los decenios de 1960 y 1970 sobre el uso de adhesivos de contrachapado en la madera altamente absorbente de pino rígido de los Estados Unidos determinaron la creación de la industria de contrachapado de pino en el sur de los Estados Unidos, ampliando considerablemente la base de recursos del contrachapado de coníferas. Investigaciones más recientes realizadas en los Estados Unidos y en el Canadá han proporcionado una base sólida para la industria de tableros que utiliza virutas largas o partículas para construir paneles para estructuras, que reemplazan a la madera contrachapada. Se sigue investigando sobre cómo mejorar el procedimiento de fabricación de tableros. Un ejemplo a este respecto es el concepto de prensado por inyección de vapor, que comienza a utilizarse para mejorar la producción reduciendo considerablemente el tiempo de prensado.

Asimismo, la investigación sobre compuestos se está interesando en las posibilidades que ofrecen los recursos reciclados de madera. Millones de toneladas de fibra obtenidos del aclareo de madera, residuos industriales, desechos de derribos, plataformas usadas y desechos de papeleras que normalmente saturan las instalaciones de eliminación de desechos podrían suministrar materia prima para aplicaciones productivas. Entre los ejemplos de materiales compuestos de valor añadido, obtenidos de desechos reciclados, se encuentran los compuestos de madera y no madereros, productos de fibra de madera fabricados en seco, productos para estructuras fabricados en húmedo y compuestos fabricados con ligantes inorgánicos de yeso, cemento portland y cemento de magnesia (Hamilton y Laufenberg, 1992; Wegner, Youngquist y Rowell, 1992).

FOTO 7 Cajonera construida con madera de eucalipto de plantación de seis años

Pasta y papel

La industria de la pasta y el papel es un producto de investigación mayor que gran parte de la industria de la madera maciza y compuesta. Los resultados de las primeras investigaciones, que fueron inspiradas por la creciente demanda de papel y la menguante oferta de desechos textiles, principal materia prima en aquel momento, fueron los procedimientos a la sosa, al sulfito y de madera triturada para la obtención de pasta de madera. Este último sigue siendo el procedimiento más utilizado para obtener la pasta para papel de periódico. A partir de investigaciones más recientes se han producido adelantos tecnológicos, que consisten en aplicar tratamientos químicos y/o térmicos para mejorar la eficacia y el rendimiento de la fabricación de pasta manteniendo a su vez un papel de alta calidad.

Gracias a las investigaciones orientadas al concepto de secado bajo prensado en la fabricación de papel, para aumentar la cohesión de las fibras y la resistencia del papel, se ha conseguido fabricar papel kraft resistente a partir de madera de frondosas de fibra corta. Mejorando ulteriormente las técnicas de fabricación mecánica de pasta y sus variaciones se podría aumentar los rendimientos del tipo de papel mencionado para pasar del 50 6 55 por ciento al 85 ó 95 por ciento (Langa, 1992).

Como resultado de las investigaciones se abren nuevas perspectivas muy interesantes en relación con el metabolismo de la lignina de los hongos de la podredumbre blanca. En los estudios sobre los aspectos químicos y el mecanismo de la eliminación de la lignina por el Phanerochaete chrysosporium y otros agentes que provocan la podredumbre blanca se demuestra que es posible sustituir los productos químicos utilizados en la preparación de pasta por métodos de fabricación biológica de la misma. Se está examinando dicha posibilidad, junto con la fabricación mecánica de pasta, para elaborar técnicas de fabricación biomecánica de pasta (Kirk, Burgess y Koning, 1992) (Foto 8). Dicha investigación forma parte del programa del consorcio para la fabricación biológica de pasta de Madison mencionado anteriormente.

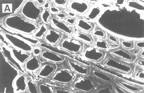
FOTO 8 A - Estructura característica de la madera de álamo (Populus sp.);

FOTO 8 B - Estructura modificada mediante tratamiento con Phanerochaete chrysosporium durante tres semanas

FOTO 9 Eliminación de contaminantes adhesivos en papel reciclado

Investigaciones recientes han permitido reducir las repercusiones ambientales, al haber sustituido el cloro en el procedimiento de blanqueo y reducido también considerablemente los afluentes perjudiciales de la pasta y del procedimiento de fabricación de papel. Otras investigaciones han sentado la base para reducir la utilización de energía y mejorar el control de los procesos de fabricación con el fin de lograr la uniformidad del producto. El objetivo de la investigación y la aplicación en la industria es utilizar métodos de elaboración asistidos por computadora con el fin de aplicar los conceptos actuales de control de los procesos de fabricación y de programación.

Actualmente, las principales actividades de investigación se están centrando en el reciclaje de papel como medio tanto para ampliar el suministro de materias primas y para reducir la necesidad de vertederos. Dichas actividades han ya obtenido un incremento considerable del uso de carga reciclada en la industria papelera. La industria americana se está acercando a su objetivo del 40 por ciento de carga reciclada para 1995; mientras que la industria europea ya ha superado dicho nivel (AFPA, 1992). Las investigaciones en curso están orientadas a esferas tales como el destintado del material reciclado, la mejora de la cohesión de las fibras recicladas, el aumento de las propiedades de resistencia del papel y el cartón reciclados, la utilización de desechos de papel para productos compuestos y la eliminación de contaminantes adhesivos (Foto 9). También se están realizando investigaciones relativas a la mezcla de papel de periódico reciclado con otras pastas, tales como la obtenido del kenaf, una planta del género hibiscus que se cultiva extensamente por su fibra, para restituir la resistencia perdida debido a la rotura de las fibras en el proceso de reciclaje.

Comercialización

Los análisis de mercado han demostrado ser instrumentos eficaces para ayudar a los fabricantes a identificar y satisfacer las necesidades del consumidor. En algunos casos, se trata de requisitos específicos y, en otros, de impresiones o percepciones del mercado. Ambos aparecen, por ejemplo, en el mercado en rápida expansión de materiales para la casa, que se está convirtiendo en el principal canal de distribución tanto para los contratistas como para los amantes del bricolaje, en particular los que se dedican a la reparación o renovación de los hogares. Dichos análisis, unidos a la investigación sobre ingeniería de los procesos de fabricación, están conduciendo a un uso más eficaz de la madera aserrada corta y de nuevos tipos de compuestos (Sinclair, 1992). A este respecto, cabe señalar las investigaciones realizadas por el Virginia Tech y por el Servicio Forestal de los Estados Unidos. El concepto de comercialización está comenzando a emplearse en la fase de desarrollo del producto y se están probando nuevos métodos analíticos mediante la investigación y la aplicación en la industria. Un ejemplo es el análisis del atributo determinante, que puede servir para identificar las características del producto que más influyen en la decisión de comprarlo (Moody y Collet, 1992).

CONCLUSION

El campo de los productos forestales es dinámico y está cambiando velozmente. Las investigaciones en este terreno se están adaptando a las necesidades de la situación y tratando de proporcionar una base tanto para la conservación de los recursos como para el desarrollo económico y social. Como consecuencia de la comunicación por medios electrónicos, periódicos, contactos con colegas y organizaciones internacionales, las actividades de investigación realizadas en distintas partes del mundo se diferencian ahora sólo por el alcance, la escala, el apoyo financiero con que cuentan y su aplicación específica.

En este artículo se ha hecho especial hincapié en la utilización de la madera como madera para construcción o como fibra, a pesar de que la mayor parte de la madera extraída en el mundo se utiliza como combustible. Igualmente, somos conscientes de que en muchas regiones del mundo los productos no madereros obtenidos de los bosques, plantas medicinales, frutas, extractos, forrajes y otros muchos, son al menos tan importantes como la madera y están adquiriendo cada vez mayor importancia en todas las regiones. La investigación sobre productos forestales está creciendo para tratar de abarcarlos, pero queda todavía mucho camino por recorrer a este respecto. No obstante, el alcance y las tendencias descritas en el presente artículo reflejan la creciente atención hacia el conjunto de los recursos forestales.

Bibliografía

AFPA. 1992. Recovered Paper Statistical Highlights, 1992. Washington, D.C., American Forest and Paper Association.

Birkeland, R. 1992. Wood science and technology issues in northern Europe. En Proceedings. International perspective on wood science and technology issues affecting wood utilisation. Reunion annual de 1992 de la Society of Wood Science and Technology. Madison, EE.UU., Society of Wood Science and Technology.

De Freitas, A.R. 1992. Wood utilisation issues in South Amerita. En Proceedings. International perspective on wood science and technology issues affecting wood utilisation. Reunion annual de 1992 de la Society of Wood Science and Technology. Madison, EE.UU., Society of Wood Science and Technology.

Hamilton, T.E. y Laufenberg, T.L. 1992. Forest service recycling research: new technology for wastepaper use. En Proceedings. International perspective on wood science and technology issues affecting wood utilisation. Reunion annual de 1992 de la Society of Wood Science and Technology. Madison, EE.UU., Society of Wood Science and Technology.

Kirk, T.K., Burgess, R.R. y Koning, J.W. 1992. Use of fungí in pulping wood: an overwiew of biopulping research. En G.F. Leatham, ed. Frontiers in industrial mycology. Nueva York, Routledge, Chapman y Hall.

Lange, W.J. 1992. Economic potential of North American timber resources. En Proceedings. International Conference on Wood Product Demand and the Environment, noviembre de 1991. Madison, EE.UU., Forest Products Research Society.

Moody, R. y Collet, M.P. 1992. Market forces drive new engineered wood products. Rural Builder. Marzo 1992: 30-31.

Ross, R.M. y Pellerin, R.F. 1991. Nondestructive evaluation of wood - past, present and future. En C.O. Rund, ed. Nondestructive characterization of materials, IV. Nueva York, Plenum.

Rowell, R.M. 1992. Property enhancement of wood composites. En T.L. Vigo y B.N. Kinzig, eds. Composite applications - the role of matrix, fibre and interface. Nueva York, VCN.

Sinclair, S.A. 1992. Innovation in wood products: a result of market pull or properties push? En Proc. IUFRO All-Division 5 Conf. Nancy, Francia, ARBOLOR/IUFRO.

Supin, M. 1992. Adapting lesser-known species to product and marker requirements. En Proc. IUFRO All-Division 5 Conf. Nancy, Francia, ARBOLOR/IUFRO.

Wegner, T.H., Youngquist, J.A. y Rowell, R.M. 1992. Opportunities for composites from recycled wood-based resources. Proc. Materials Research Society 1992. Pittsburg, EE.UU., Materials Research Society.

Winistorfer, S.G. 1992. Mechanical fasteners in wood. Fastener Tech. Int., 15(6): 39-41.

Youngs, R.L. 1990. Depth and direction in diversity: progress and focus in forest products research. En Proc. IUFRO All-Division 5 Conf Nancy, Francia, ARBOLOR/IUFRO.

Youngs, R.L. y Wang, H.H. 1992. Making a silk purse from a sow's ear: the properties market connection. En Proc. IUFRO All-Division 5 Conf Nancy, Francia, ARBOLOR/IUFRO.


Página precedente Inicìo de página Página siguiente